| 序号 | 项目 | 指标 |
| 1 | 运动模式 | 圆周扫描/扇形扫描/引导跟踪/定位 |
| 2 | 运动范围 | 方位:0~360°(限位可选) 俯仰:0~90°(限位可选) |
| 3 | 位置控制/显示分辨率 | 0.01°(RMS) |
| 4 | 转速 | 方位:0~10rpm 俯仰:0~10rpm |
| 5 | 角加速度 | 30°/s2 |
| 6 | 指向精度 | 优于0.1° |
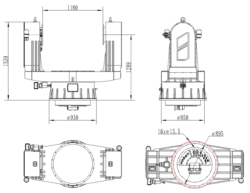
| 7 | 重量 | ≤1000kg |
| 8 | 转台负载能力 | ≥800kg |
| 9 | 供电 | AC220V/AC380V |
| 10 | 功耗 | ≤3KW |
| 11 | 控制方式 | RS422/RS232/RS485/RJ45 |
| 12 | 工作温度 | -40℃~+55℃ |
| 13 | 储存温度 | -45℃~+65℃ |
| 14 | 抗风 | 6/8级 |

