| No. | Items | Specifications |
| 1 | Mode | Circumferential scanning/sector scanning/ Volumetric scanning /positioning |
| 2 | Rotating Range | Horizonal:0~360°(optional for position limit) Vertical: ±90°(optional for position limit) |
| 3 | Resolution | 0.01°(RMS) |
| 4 | Rotating Speed | Horizonal:0~10rpm Vertical:0~10rpm |
| 5 | Angular acceleration | 30°/s2 |
| 6 | Pointing accuracy | ≤0.1° |
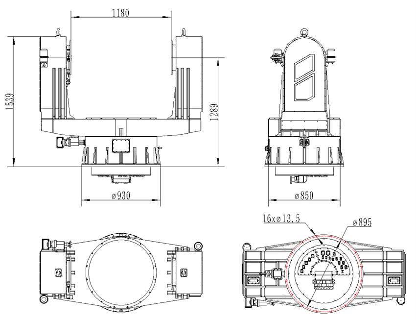
| 7 | Weight | ≤1000kg |
| 8 | Max Load | ≥800kg |
| 9 | Power supply | AC220V/AC380V |
| 10 | Power Consumption | ≤3KW |
| 11 | Communication Interface | RS422/RS232/RS485/RJ45 |
| 12 | Working Temperature | -40℃~+55℃ |
| 13 | Storage Temperature | -45℃~+65℃ |
| 14 | Wind resistance | Class 6/8 |

